U.S. Customers: Orders shipped from Canada may be subject to U.S. import duties, taxes, and/or tariffs as assessed by U.S. Customs and your carrier. These charges are not included in our product prices or shipping rates. You are responsible for any duties/tariffs/fees due on delivery or prior to delivery.
Packed and shipped within Canada!

Premium Marine Quality Parts

Sea-Dog Line
136800-1

Sea-Dog 1398001 Trigger Snap - Bronze - 136800-1 - 354-1368001F1

LSN 354-1368001 MPN 136800-1 UPC 35514136471 MFR Sea-Dog Line



Available @
ON, Warehouse
BC, Warehouse


This product may be available for purchase online. For pricing and availability, click the “Ask a Question about this Product” button below to speak with our team. Let us know your shipping destination and required quantity, and we’ll have a personalized quote ready for you.

$22.19
Canadian Dollars
Access Code Required
Enter your access code to unlock purchasing for this item.

My Wishlist
Compare
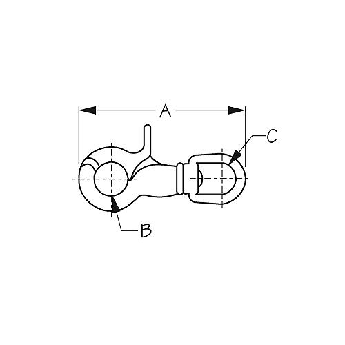
Trigger snaps feature an extra secure hinged snap hook that closes tighter under load. Constructed of die cast manganese bronze for durability. Spring-loaded bolts provide secure closure with the advantage of an easy-open thumb lever. 360° swivel strap eye eliminates tangling.

Part #:354-1368001
Manufacturer:SEA-DOG LINE
Manufacturer Part #:136800-1
UPC:035514136471
Order In Multiples Of:1
A2-9/16"
B1/2"
C1/2"
Pkg.Card
PackageCard

Variations
354-136800Sea-Dog 136800 Trigger Snap - Bronze
Northern Marine Canada
Our products are shipped from Canada!
Parts Warehouse:
Toronto, Ontario, Canada
Head Office:
Kingston, Ontario

About Us

Northern Marine is a Canadian supplier of premium marine and RV parts and accessories from top industry brands. We focus on quality, accurate listings, and dependable fulfillment so you can maintain, repair, and outfit your boat or RV with confidence.

Our goal is simple: get you the right parts, shipped fast, with straightforward service you can count on.